Überblick
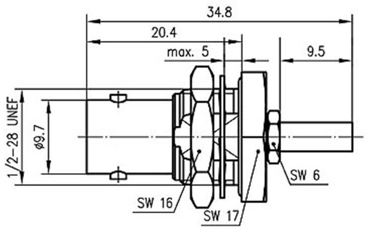
Die Stecker-Buchse-Bezeichnung ist nach der Form des Innenleiters definiert.
Die Stecker-Buchse-Bezeichnung ist nach der Form des Innenleiters definiert.
Die Serie BNC umfasst die am häufigsten verwendeten koaxialen Steckverbindungen, die bis zu einer Frequenz von 4 GHz eingesetzt werden. Sie verfügen über einen Bajonettverschluss und werden in den Ausführungen mit 50 Ω und 75 Ω Wellenwiderstand angeboten. Steckverbindervarianten gibt es für flexible, Semi-Flex- und Semi-Rigid-Kabel. Die Leiterplattensteckverbinder der Serie BNC sind als Löt- bzw. Einpresstypen erhältlich. Kabel werden je nach Ausführung durch Crimpen, Klemmen oder Löten angeschlossen. Die Steckverbinder der Serie BNC werden in der Signal-, Daten- und Videoübertragung eingesetzt.
04018359192600, 02050001912831, 4018359192600, Telegärtner, 100023431