Wichtige Kundeninformation »
Wichtige Kundeninformation »

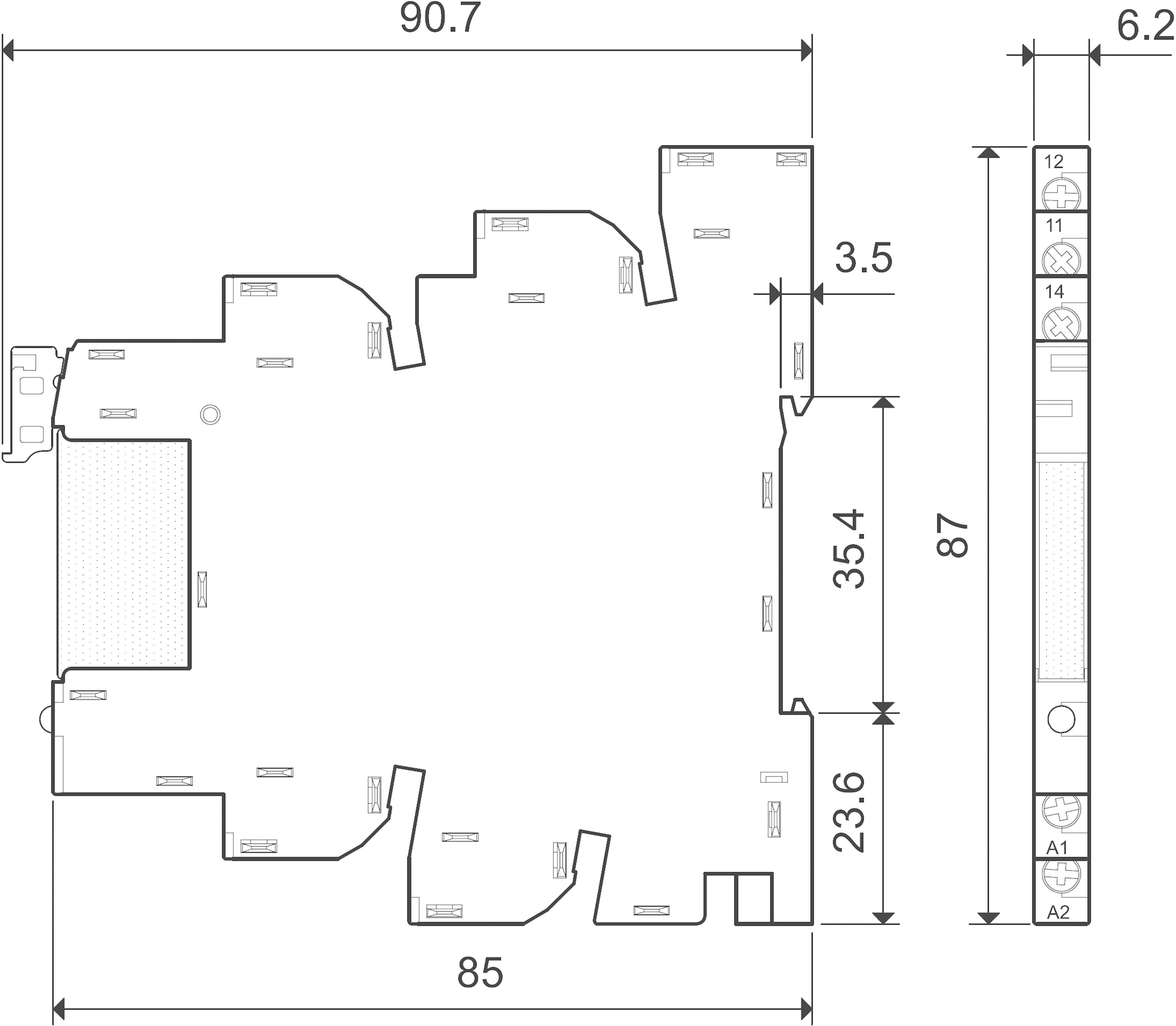
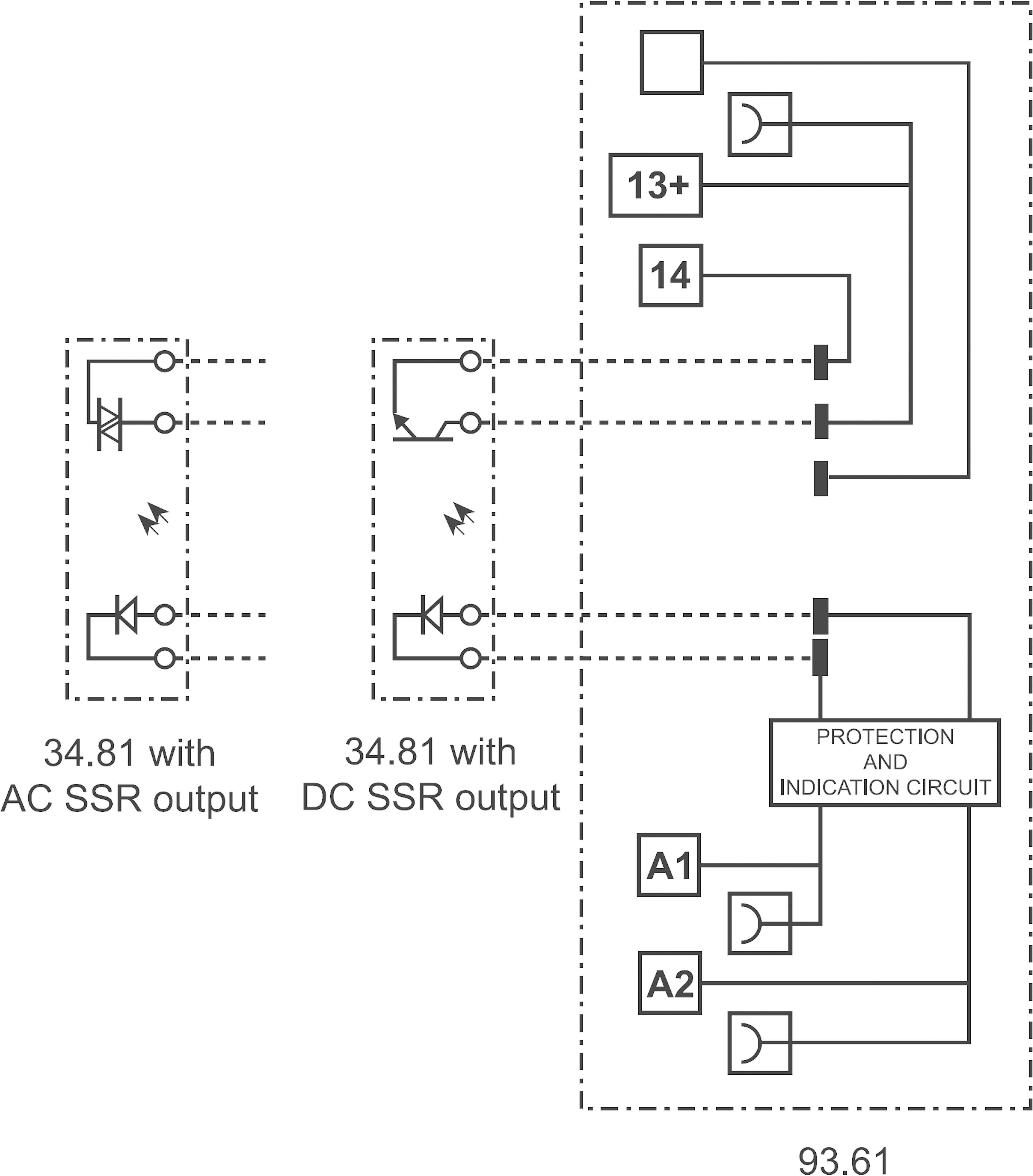
Finder Halbleiterrelais 39.10.7.012.9024 2A Schaltspannung (max.): 24 V/DC

Diesen Artikel findest Du ab sofort nur noch bei voelkner.de
inkl. MwSt.
zzgl.
Lieferzeit: 1-2 Tage
lieferbar ab 09.06.2026
30 Tage kostenlose Rücksendung
Finder Halbleiterrelais 39.10.7.012.9024 2A Schaltspannung (max.): 24 V/DC
Diesen Artikel findest Du ab sofort nur noch bei voelkner.de
inkl. MwSt.
zzgl.

Produktbeschreibung

Beschreibung

Schmales Koppelrelais für DIN-Schiene mit Halbleiterausgang. Universell als Koppelrelais im Eingang zur SPS oder im Ausgang der SPS zur Ansteuerung von Aktoren.

Hinweise

Zulassungen: cULus, EAC.

Stichwörter

02050001368492, 2050001368492, Finder, 39.10.7.012.9024, 776-1424

Produktdaten

Downloads

Bewertungen

Zubehör

{{#if results}}
{{results.[0].headline}}
{{#each results}} {{name}} {{#if (gt hit_count 0)}} ({{hit_count}}) {{/if}} {{#if (or has_rating has_price)}}
{{#if has_rating}}
{{#each stars}} {{#if (gt ../rating this.[0])}} {{else if (and (lt ../rating this.[1]) (gt ../rating @index))}} {{else}} {{/if}} {{/each}}
{{/if}} {{#if has_price}} {{price}} {{/if}}
{{/if}}
{{/each}}
{{/if}}